Jednoosý ohyb s tlakem
  • 3D prohlížeč
  • 3D prohlížeč | Babylon
  • Virtuální realita
Verification Example 000048 | 4
  • 3D prohlížeč
  • 3D prohlížeč | Babylon
  • Virtuální realita
Jednoosý ohyb s tlakem
Verification Example 000048 | 4
13.8.2024
007430

Jednoosý ohyb s tlakem

Používá se v
  • Jednoosý ohyb s tlakem
3D model
Více o 3D modelu
  • Verifikační příklad 000048 | 4
Specifikace
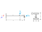
Počet uzlů 3
Počet linií 2
Počet prutů 2
Počet ploch 0
Počet těles 0
Počet zatěžovacích stavů 1
Počet kombinací zatížení 0
Počet kombinací výsledků 0
Rozměry (metrické) 7,200 x 0,000 x 0,000 m
Rozměry (imperiální) 23.62 x 0 x 0 feet
Sdílet
9.3.2024
010718
  • RFEM 5
  • RSTAB 8
Verifikační příklad 000048 | 4
Verification Example 000048 | 4

Používá se v
  • Verifikační příklad 000048 | 4
3D model
Více o 3D modelu
  • Verifikační příklad 000048 | 4
Specifikace
Počet uzlů 3
Počet linií 2
Počet prutů 2
Počet ploch 0
Počet těles 0
Počet zatěžovacích stavů 1
Počet kombinací zatížení 0
Počet kombinací výsledků 0
Rozměry (metrické) 7,200 x 0,000 x 0,000 m
Rozměry (imperiální) 23.62 x 0 x 0 feet
Sdílet