Verifikační příklad 000105 | 2
  • 3D prohlížeč
  • 3D prohlížeč | Babylon
  • Virtuální realita
Ekvivalentní zatížení
  • 3D prohlížeč
  • 3D prohlížeč | Babylon
  • Virtuální realita
Verifikační příklad 000105 | 2
Ekvivalentní zatížení
9.3.2024
010641
  • RFEM 5
  • RSTAB 8

Verifikační příklad 000105 | 2

Používá se v
  • Verifikační příklad 000105 | 2
3D model
Více o 3D modelu
  • Verifikační příklad 000105 | 2
Specifikace
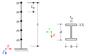
Počet uzlů 6
Počet prutů 5
Počet zatěžovacích stavů 6
Počet kombinací výsledků 1
Celková hmotnost 0,211 t
Rozměry (metrické) 0,313 x 0,313 x 5,156 m
Rozměry (imperiální) 1.03 x 1.03 x 16.92 feet
Verze programu 8.05.00
Sdílet
1.1.0001
007478
Ekvivalentní zatížení
Používá se v
  • Náhradní břemena
3D model
Více o 3D modelu
  • Verifikační příklad 000105 | 2
Specifikace
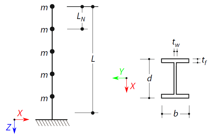
Počet uzlů 6
Počet prutů 5
Počet zatěžovacích stavů 6
Počet kombinací výsledků 1
Celková hmotnost 0,211 t
Rozměry (metrické) 0,313 x 0,313 x 5,156 m
Rozměry (imperiální) 1.03 x 1.03 x 16.92 feet
Verze programu 8.05.00
Sdílet