Verifikační příklad 000050 | 3
  • 3D prohlížeč
  • 3D prohlížeč | Babylon
  • Virtuální realita
Konzola při kroucení bez deplanace
  • 3D prohlížeč
  • 3D prohlížeč | Babylon
  • Virtuální realita
Verifikační příklad 000050 | 3
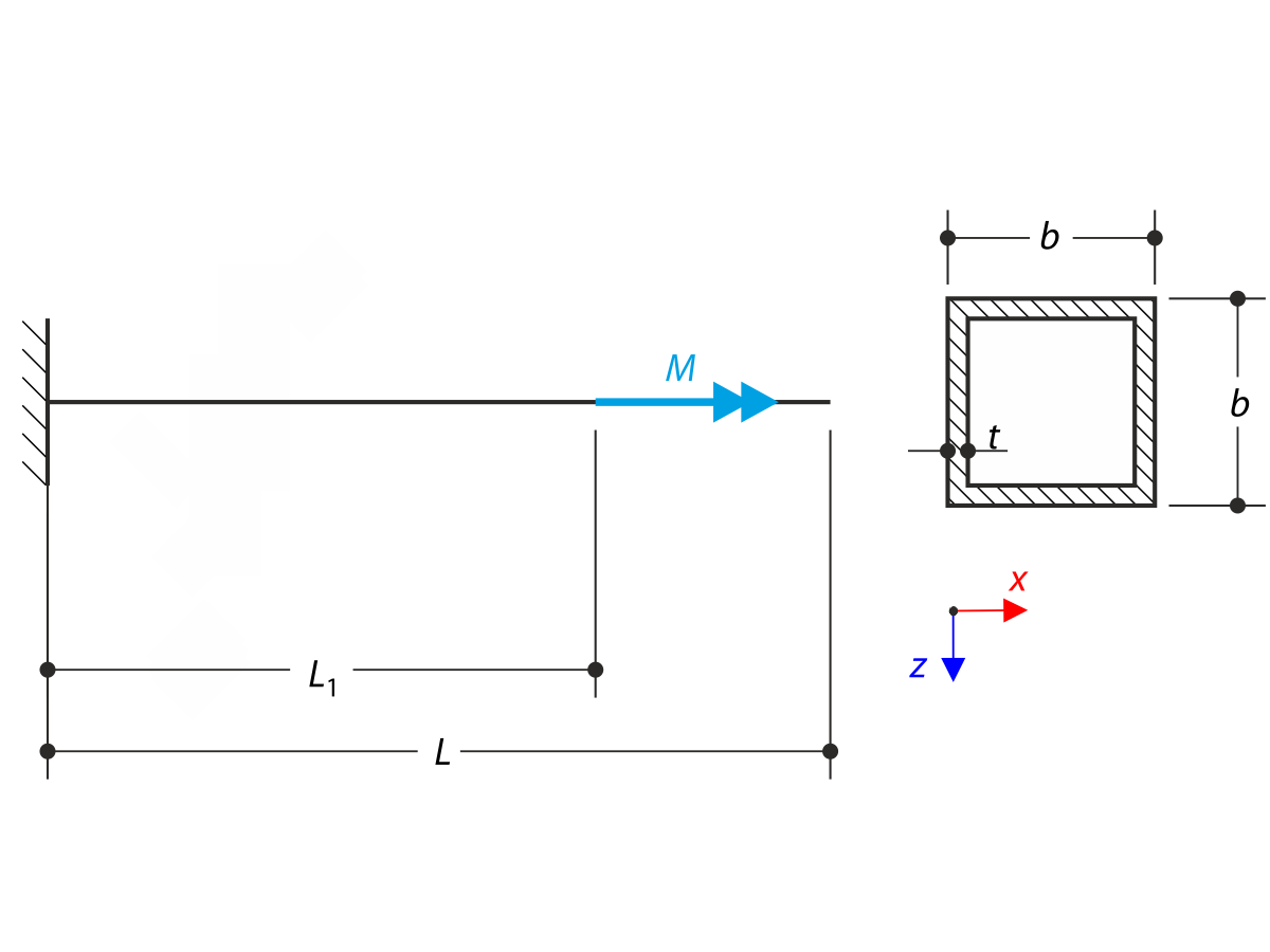
Konzola při kroucení bez deplanace
9.3.2024
010714
  • RFEM 5
  • RSTAB 8

Verifikační příklad 000050 | 3

Používá se v
  • Verifikační příklad 000050 | 3
3D model
Více o 3D modelu
  • Verifikační příklad 000050 | 3
Specifikace
Počet uzlů 3
Počet linií 2
Počet prutů 2
Počet zatěžovacích stavů 1
Celková hmotnost 0,146 t
Rozměry (metrické) 4,200 x 0,400 x 0,400 m
Rozměry (imperiální) 13.78 x 1.31 x 1.31 feet
Verze programu 5.03.00
Sdílet
13.8.2024
007432
Konzola při kroucení bez deplanace
Používá se v
  • Konzola při kroucení bez deplanace
3D model
Více o 3D modelu
  • Verifikační příklad 000050 | 3
Specifikace
Počet uzlů 3
Počet linií 2
Počet prutů 2
Počet zatěžovacích stavů 1
Celková hmotnost 0,146 t
Rozměry (metrické) 4,200 x 0,400 x 0,400 m
Rozměry (imperiální) 13.78 x 1.31 x 1.31 feet
Verze programu 5.03.00
Sdílet