Verifikační příklad 000047 | 1
  • 3D prohlížeč
  • 3D prohlížeč | Babylon
  • Virtuální realita
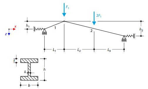
Snap Through with Spring Supports
  • 3D prohlížeč
  • 3D prohlížeč | Babylon
  • Virtuální realita
Verifikační příklad 000047 | 1
Snap Through with Spring Supports
9.3.2024
010726
  • RFEM 5
  • RSTAB 8

Verifikační příklad 000047 | 1

Používá se v
  • Verifikační příklad 000047 | 1
3D model
Více o 3D modelu
  • Verifikační příklad 000047 | 1
Specifikace
Počet uzlů 3
Počet linií 2
Počet prutů 2
Počet ploch 0
Počet těles 0
Počet zatěžovacích stavů 1
Počet kombinací zatížení 0
Počet kombinací výsledků 0
Celková hmotnost 0,689 t
Rozměry (metrické) 10,000 x 0,520 x 0,000 m
Rozměry (imperiální) 32.81 x 1.71 x 0 feet
Sdílet
1.1.0001
007429
Snap Through with Spring Supports
Používá se v
  • Snap-Through s podporou pružiny
3D model
Více o 3D modelu
  • Verifikační příklad 000047 | 1
Specifikace
Počet uzlů 3
Počet linií 2
Počet prutů 2
Počet ploch 0
Počet těles 0
Počet zatěžovacích stavů 1
Počet kombinací zatížení 0
Počet kombinací výsledků 0
Celková hmotnost 0,689 t
Rozměry (metrické) 10,000 x 0,520 x 0,000 m
Rozměry (imperiální) 32.81 x 1.71 x 0 feet
Sdílet