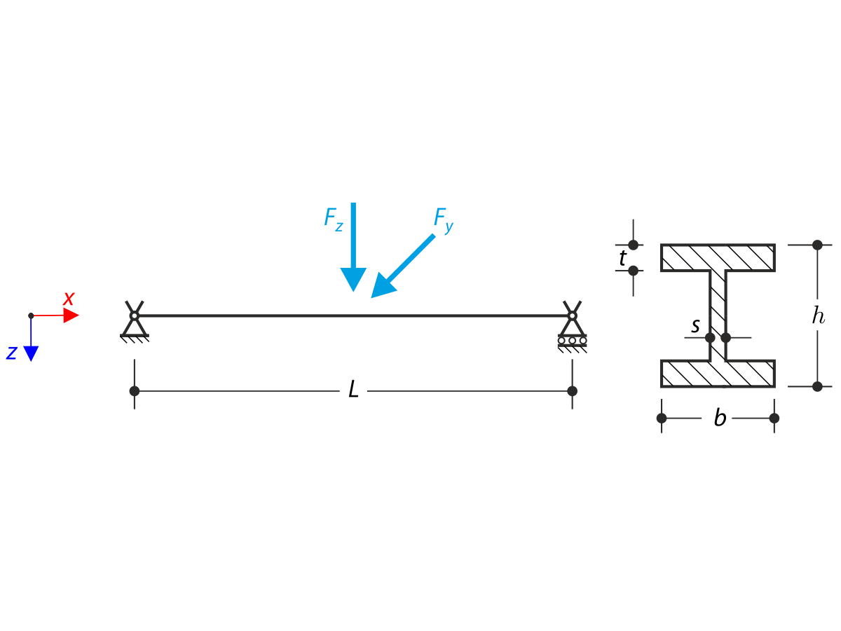
Prostorový ohyb s deformací
Prostorový ohyb s deformací
13.8.2024
025376
  • RFEM 5

Prostorový ohyb s deformací

Používá se v
  • Prostorový ohyb s deformací
Sdílet