1900 kB | Páčení v přírubových spojích kruhových dutých profilů
1900 kB | Páčení v přírubových spojích kruhových dutých profilů
20.9.2024
052649
  • RFEM 6
  • Eurocode 3

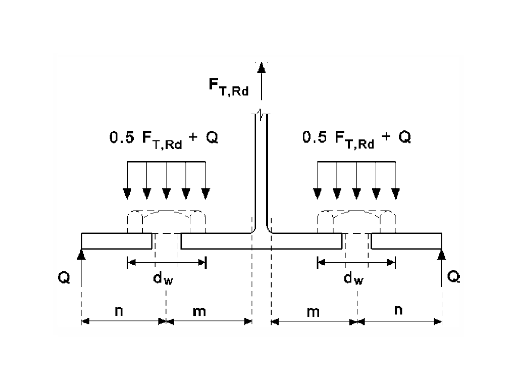
Obrázek 6.2. in EC 3 [1]

1900 kB | Páčení v přírubových spojích kruhových dutých profilů

Používá se v
  • Účinek páčení v přírubových spojích kruhových dutých profilů
Sdílet