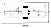
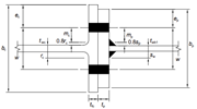
Detail ocelového spoje znázorňující komponentu T-profilu v oblasti tahu v přesném ocelovém přípoji
Detail ocelového spoje znázorňující komponentu T-profilu v oblasti tahu v přesném ocelovém přípoji
13.2.2025
055415
  • RFEM 6

Detail přípojky T-profilu v tahu

Detail ocelového spoje znázorňující komponentu T-profilu v oblasti tahu v přesném ocelovém přípoji

Obrázek znázorňuje detail komponenty T-profilu určené pro tahové zóny v ocelovém spoji. Zdůrazňuje přesné rozhraní mezi T-profilem a spojenými ocelovými prvky. Zřetelné řezy ukazují, kde jsou tahové síly přenášeny přes svary nebo šroubové styčníky. Geometrické rozměry a vlastnosti spoje jsou jasně označeny, což ukazuje způsob přenosu zatížení v konstrukci.
  • Tah
  • Zóna
  • T-profil
  • Ocel
  • Spoj
Sdílet