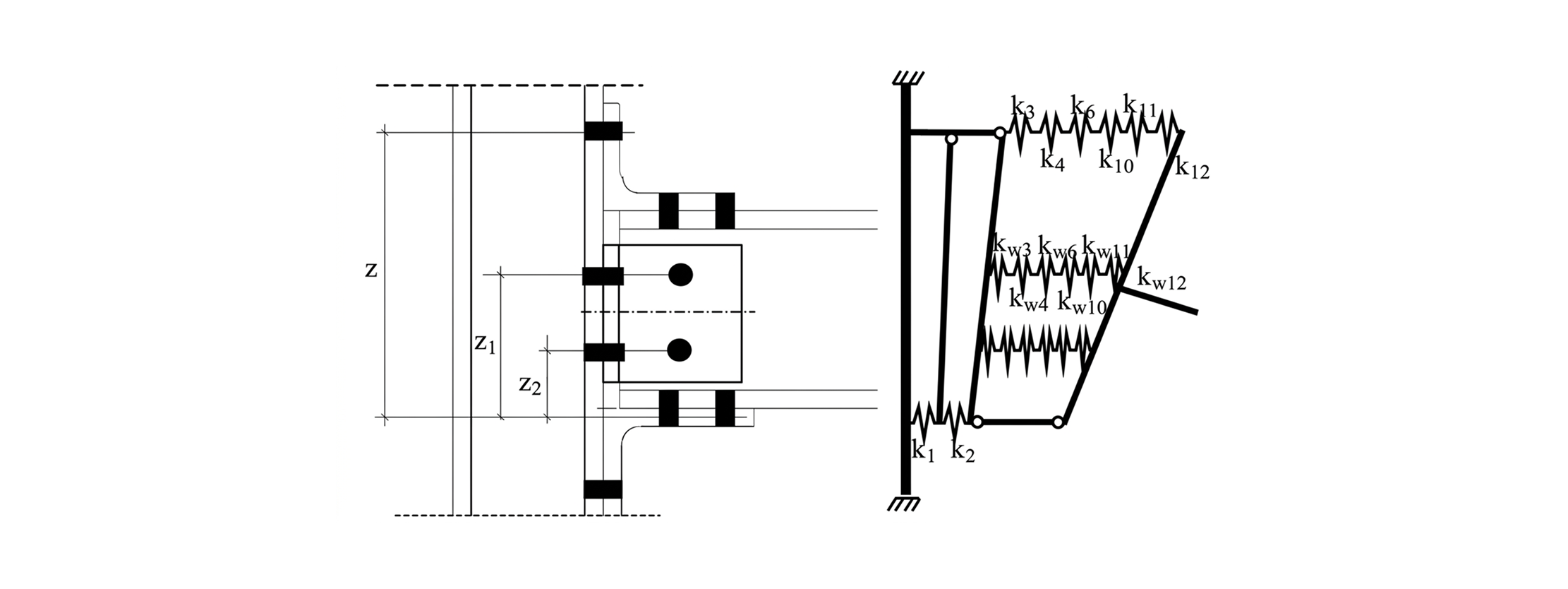
Ilustrace podle přílohy J normy EC-3 znázorňující spoje horní a spodní části nosníku a přípoj úhelníkem ve statickém modelu.
Ilustrace podle přílohy J normy EC-3 znázorňující spoje horní a spodní části nosníku a přípoj úhelníkem ve statickém modelu.
24.3.2026
061954
  • RFEM 6

EC 3 Příloha J – Rozšíření pro spoje s úhelníky na horní a spodní části a pásnici

Ilustrace podle přílohy J normy EC-3 znázorňující spoje horní a spodní části nosníku a přípoj úhelníkem ve statickém modelu.

Ilustrace znázorňuje rozšíření přílohy J normy EC-3 použité u konstrukčních přípojů typu „top-and-seat“ a „přípoj úhelníkem“. Zobrazuje konstrukční přípojy navržené pro lepší konstrukční uspořádání v ocelových konstrukcích v souladu s normami Eurokódu 3. Důraz je kladen na konfiguraci a funkci těchto konkrétních přípojů v rámci statického modelu.
  • EC 3 Příloha J
  • Přípoje úhelníkem
  • Statický model
  • Úhelník
  • Pás nahoře a dole
Sdílet