Schodišťový základ | Dimenzační řezy
Schodišťový základ | Dimenzační řezy
9.4.2026
062177
  • RFEM 6

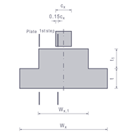
Stupňovitý základ | Posuzovací řezy

Schodišťový základ | Dimenzační řezy

Sdílet