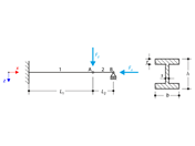
Einfache Biegung mit Druck
  • 3D-Viewer
  • 3D Viewer | Babylon
  • Virtuelle Realität
Verification Example 000048 | 4
  • 3D-Viewer
  • 3D Viewer | Babylon
  • Virtuelle Realität
Einfache Biegung mit Druck
Verification Example 000048 | 4
13. August 2024
007430

Einfache Biegung mit Druck

Verwendet in
  • Einfache Biegung mit Druck
3D-Modell
Mehr über 3D-Modell
  • Verifikationsbeispiel 000048 | 4
Spezifikationen
Anzahl Knoten 3
Anzahl Linien 2
Anzahl Stäbe 2
Anzahl Flächen 0
Anzahl Volumenkörper 0
Anzahl Lastfälle 1
Anzahl Lastkombinationen 0
Anzahl Ergebniskombinationen 0
Abmessungen (metrisch) 7,200 x 0,000 x 0,000 m
Abmessungen (imperial) 23.62 x 0 x 0 feet
Teilen
9. März 2024
010718
  • RFEM 5
  • RSTAB 8
Verification Example 000048 | 4
Verwendet in
  • Verifikationsbeispiel 000048 | 4
3D-Modell
Mehr über 3D-Modell
  • Verifikationsbeispiel 000048 | 4
Spezifikationen
Anzahl Knoten 3
Anzahl Linien 2
Anzahl Stäbe 2
Anzahl Flächen 0
Anzahl Volumenkörper 0
Anzahl Lastfälle 1
Anzahl Lastkombinationen 0
Anzahl Ergebniskombinationen 0
Abmessungen (metrisch) 7,200 x 0,000 x 0,000 m
Abmessungen (imperial) 23.62 x 0 x 0 feet
Teilen