Verifikationsbeispiel 000105 | 2
  • 3D-Viewer
  • 3D Viewer | Babylon
  • Virtuelle Realität
Ersatzlasten
  • 3D-Viewer
  • 3D Viewer | Babylon
  • Virtuelle Realität
Verifikationsbeispiel 000105 | 2
Ersatzlasten
9. März 2024
010641
  • RFEM 5
  • RSTAB 8

Verifikationsbeispiel 000105 | 2

Verwendet in
  • Verifikationsbeispiel 000105 | 2
3D-Modell
Mehr über 3D-Modell
  • Verifikationsbeispiel 000105 | 2
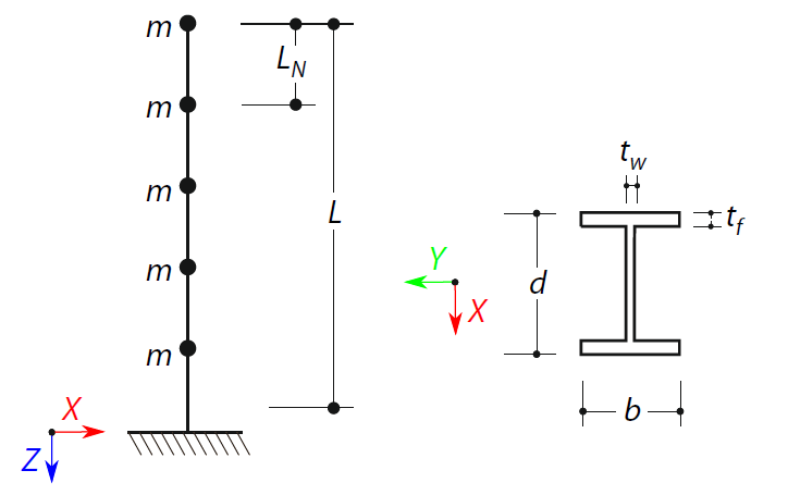
Spezifikationen
Anzahl Knoten 6
Anzahl Stäbe 5
Anzahl Lastfälle 6
Anzahl Ergebniskombinationen 1
Gesamtgewicht 0,211 t
Abmessungen (metrisch) 0,313 x 0,313 x 5,156 m
Abmessungen (imperial) 1.03 x 1.03 x 16.92 feet
Programmversion 8.05.00
Teilen
1. Januar 0001
007478
Ersatzlasten
Verwendet in
  • Ersatzlasten
3D-Modell
Mehr über 3D-Modell
  • Verifikationsbeispiel 000105 | 2
Spezifikationen
Anzahl Knoten 6
Anzahl Stäbe 5
Anzahl Lastfälle 6
Anzahl Ergebniskombinationen 1
Gesamtgewicht 0,211 t
Abmessungen (metrisch) 0,313 x 0,313 x 5,156 m
Abmessungen (imperial) 1.03 x 1.03 x 16.92 feet
Programmversion 8.05.00
Teilen