Verifikationsbeispiel 000047 | 1
  • 3D-Viewer
  • 3D Viewer | Babylon
  • Virtuelle Realität
Durchschlag mit Auflagerfedern
  • 3D-Viewer
  • 3D Viewer | Babylon
  • Virtuelle Realität
Verifikationsbeispiel 000047 | 1
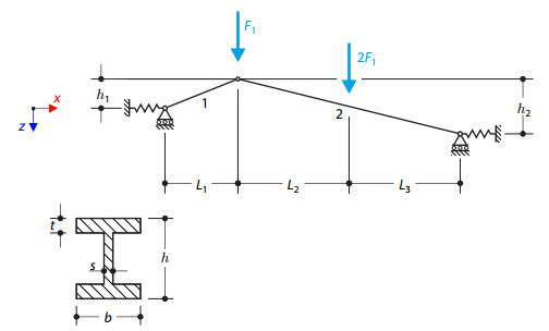
Durchschlag mit Auflagerfedern
9. März 2024
010726
  • RFEM 5
  • RSTAB 8

Verifikationsbeispiel 000047 | 1

Verwendet in
  • Verifikationsbeispiel 000047 | 1
3D-Modell
Mehr über 3D-Modell
  • Verifikationsbeispiel 000047 | 1
Spezifikationen
Anzahl Knoten 3
Anzahl Linien 2
Anzahl Stäbe 2
Anzahl Flächen 0
Anzahl Volumenkörper 0
Anzahl Lastfälle 1
Anzahl Lastkombinationen 0
Anzahl Ergebniskombinationen 0
Gesamtgewicht 0,689 t
Abmessungen (metrisch) 10,000 x 0,520 x 0,000 m
Abmessungen (imperial) 32.81 x 1.71 x 0 feet
Teilen
1. Januar 0001
007429
Durchschlag mit Auflagerfedern
Verwendet in
  • Durchschlag mit Federlager
3D-Modell
Mehr über 3D-Modell
  • Verifikationsbeispiel 000047 | 1
Spezifikationen
Anzahl Knoten 3
Anzahl Linien 2
Anzahl Stäbe 2
Anzahl Flächen 0
Anzahl Volumenkörper 0
Anzahl Lastfälle 1
Anzahl Lastkombinationen 0
Anzahl Ergebniskombinationen 0
Gesamtgewicht 0,689 t
Abmessungen (metrisch) 10,000 x 0,520 x 0,000 m
Abmessungen (imperial) 32.81 x 1.71 x 0 feet
Teilen