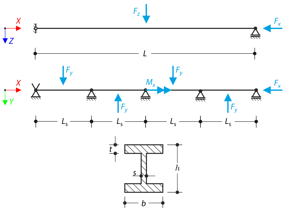
Räumliche Biegung mit Normalkraft, Torsion und Verwölbung
Räumliche Biegung mit Normalkraft, Torsion und Verwölbung
18. Juni 2024
050369
  • RFEM 6

Räumliche Biegung mit Normalkraft, Torsion und Verwölbung

Teilen