KB 1900 | Abstützwirkung bei Flanschverbindungen von kreisförmigen Hohlprofilen
KB 1900 | Abstützwirkung bei Flanschverbindungen von kreisförmigen Hohlprofilen
20. September 2024
052649
  • RFEM 6
  • Eurocode 3

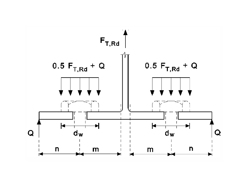
Bild 6.2. in EC 3 [1]

KB 1900 | Abstützwirkung bei Flanschverbindungen von kreisförmigen Hohlprofilen

Verwendet in
  • Abstützwirkung bei Flanschverbindungen von kreisförmigen Hohlprofilen
Teilen