Stahlverbindungsdetail zur Veranschaulichung eines Zugzonen-T-Stummels in einem präzisen Stahlanschluss
Stahlverbindungsdetail zur Veranschaulichung eines Zugzonen-T-Stummels in einem präzisen Stahlanschluss
13. Februar 2025
055415
  • RFEM 6

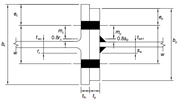
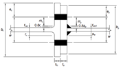
Detail eines T-Stummel-Anschlusses in der Zugzone

Stahlverbindungsdetail zur Veranschaulichung eines Zugzonen-T-Stummels in einem präzisen Stahlanschluss

Das Bild veranschaulicht die Detaillierung eines T-Stummels, der für die Zugzone in einer Stahlverbindung ausgelegt ist. Es hebt die präzise Schnittstelle zwischen dem T-Stummel und den verbundenen Stahlelementen hervor. Die einzelnen Bereiche zeigen, wo die Zugkräfte über Schweißnähte oder Schraubverbindungen umverteilt werden. Geometrische Abmessungen und Verbindungsmerkmale sind deutlich markiert und zeigen die Art der Lastabtragung innerhalb des Tragwerks.
  • Zug
  • Zone
  • T-Stummel
  • Stahl
  • Verbindung
Teilen