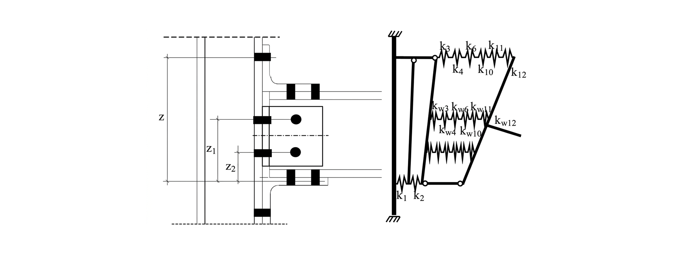
Darstellung von EC-3 Anhang J mit Ober- und Untergurt, sowie Verbindungen der Stegblechwinkel in einem Tragwerksmodell.
Darstellung von EC-3 Anhang J mit Ober- und Untergurt, sowie Verbindungen der Stegblechwinkel in einem Tragwerksmodell.
24. März 2026
061954
  • RFEM 6

Erweiterung EC-3 Anhang J für Ober- und Untergurt- sowie Stegwinkelverbindungen

Darstellung von EC-3 Anhang J mit Ober- und Untergurt, sowie Verbindungen der Stegblechwinkel in einem Tragwerksmodell.

Die Abbildung zeigt die Erweiterung von EC-3 Anhang J, die auf Verbindungen mit Flansch- und Stegwinkel sowie mit Stegwinkel angewendet wurde. Sie zeigt die konstruktiven Anschlüsse, die gemäß den Anforderungen nach Eurocode 3 für die Detailauslegung von Stahlkonstruktionen entworfen wurden. Im Mittelpunkt steht die Bemessung und die Anwendung dieser spezifischen Verbindungen an einem Tragwerksmodell.
  • EC-3 Anhang J
  • Winkelverbindungen
  • Tragwerksmodell
  • Stegstrebe
  • Ober- und Untergurt
Teilen