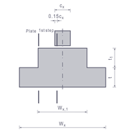
Stufenfundament | Bemessungsschnitte
Stufenfundament | Bemessungsschnitte
9. April 2026
062177
  • RFEM 6

Stufenfundament | Bemessungsschnitte

Teilen