Torsion Design of Glulam Beams

Technical Article

This article was translated by Google Translator View original text

Long-span glued-laminated beams are usually supported by a reinforced concrete column with torsional restraints.

Figure 01 - 1 - Beam with Torsional Restraints Subjected to Uniform Load (Source: [3])

Torsion moments occur at these fork supports and must be verified according to [2], Section 6.1.9:
$$\frac{{\mathrm\tau}_{\mathrm{tor},\mathrm d}}{{\mathrm k}_\mathrm{shape}\;\cdot\;{\mathrm f}_{\mathrm v,\mathrm d}}\;+\;(\frac{{\mathrm\tau}_{\mathrm y,\mathrm d}}{{\mathrm f}_{\mathrm v,\mathrm d}})²\;+\;(\frac{{\mathrm\tau}_{\mathrm z,\mathrm d}}{{\mathrm f}_{\mathrm v,\mathrm d}})²$$

By superimposing the internal forces from shear force and torsion, cracks on the restrained support should be avoided.

Figure 02 - 2 - Cracks in Glulam Beam (Source: [4])

The torsional moment at the end supports results from the deflection of the beam for a load in the form of a sinusoidal curve (see Figure 3).

Figure 03 - 3 - Beam Deflection

According to [1] , a value of l/400 is to be applied for the precamber. This results from a minimum stiffening requirement of the secondary support system. Further information can be found, for example, in [3].

However, it is not possible to determine the torsion on the supports with the usual methods of member analysis. In addition, many calculation programs do not offer the possibility of considering the warping of the cross-section. Since the calculation is often performed with pure 2D framework programs, a delimitation criterion was created in [2], Section NCI, to 9.2.5.3 (Equation 2):
$${\mathrm\lambda}_\mathrm{ef}\;=\;{\mathrm l}_\mathrm{ef}\;\cdot\;\frac{\mathrm h}{\mathrm b²}\;\leq\;225$$

If the slenderness ratio of the beam is below this value, the torsional stress components can be neglected.

Calculation in RX-TIMBER BSH

This connection is illustrated by an example.
Structure:
Span width = 25 m
Material = GL24c
Cross-section = 12 cm/242 cm (without ridge wedge)

Figure 04 - 4 - Geometry of Beam

The girder is loaded with a line load of 13.5 kN/m. The self-weight is neglected.

The governing design is the torsional stress design listed in Equation 1. In this case, lef is identical to the field length of 2.46 m. The distance of the tilting support can only be applied if the horizontal stiffening of the secondary support system is <l/500 or l/1000. This is not applied here.

$$ \ begin {array} {l} {\ mathrm \ lambda} _ \ mathrm {ef} \; = \; {\ mathrm l} _ \ mathrm {ef} \; \ cdot \; \ frac {\ mathrm h } {\ mathrm b²} \; = \; 2.460 \; \ mathrm {cm} \; \ cdot \; \ frac {240 \; \ mathrm {cm}} {(12 \; \ mathrm {cm}) ²} \; = \; 4.100 \;> \; 225 \\\ frac {{\ mathrm \ tau} _ {\ mathrm {gate}, \ mathrm d}} {{\ mathrm k} _ \ mathrm {shape} \; \ cdot \; {\ mathrm f} _ {\ mathrm v, \ mathrm d}} \; + \; \ left (\ frac {{\ mathrm \ tau} _ {\ mathrm z, \ mathrm d}} {{ \ mathrm f} _ {\ mathrm v, \ mathrm d}} \ right) ^ 2 \; = \; \ frac {0.11 \; \ mathrm {kN}/\ mathrm {cm} ²} {1.3 \; \ cdot \; 0.16 \; \ mathrm {kN}/\ mathrm {cm} ²} \; + \; \ left (\ frac {0.12 \; \ mathrm {kN}/\ mathrm {cm } ²} {0.16 \; \ mathrm {kN}/\ mathrm {cm} ²} \ right) ^ 2 \; = \; 1.1 \ end {array} $$

Internal forces and stresses:
$$\begin{array}{l}{\mathrm T}_{\mathrm M,\mathrm d}\;=\;\frac{{\mathrm M}_{\max,\mathrm d}}{80}\;=\;\frac{102.665\;\mathrm{kNcm}}{80}\;=\;12,8\;\mathrm{kNm}\\{\mathrm W}_\mathrm t\;=\;11.520\;\mathrm{cm}³\\{\mathrm\tau}_{\mathrm{tor},\mathrm d}\;=\;\frac{1.280\;\mathrm{kNcm}}{11.520\;\mathrm{cm}³}\;=\;0,11\;\mathrm{kN}/\mathrm{cm}²\\{\mathrm\tau}_\mathrm d\;=\;1,5\;\cdot\;\frac{{\mathrm V}_\mathrm d}{{\mathrm k}_\mathrm{cr}\;\cdot\;\mathrm b\;\cdot\;\mathrm h}\;=\;0,12\;\mathrm{kN}/\mathrm{cm}²\end{array}$$

Calculation taking into account warping torsion

With RF-/FE-LTB, it is possible to apply an eccentric compressive force to the beam. The line load of 13.5 kN/m can thus be applied off-center of the beam.

Figure 05 - 5 - Eccentric Load Application in RF-/FE-LTB

As shown in Figure 5, the load is applied with an eccentricity of 6 cm. Furthermore, according to [2] (NA.5), a lateral deformation of 6.15 cm is applied.

$$\mathrm e\;=\;\frac{\mathrm l}{400}\;\cdot\;{\mathrm k}_\mathrm l\;=\;\frac{2.460\;\mathrm{cm}}{400}\;=\;6,15\;\mathrm{cm}$$

Based on the Bernoulli bending, RF-/FE-LTB is thus able to determine the critical load F ki and thus the ideal torsional buckling moment M ki as well as the torsional buckling load N ki, phi .

The calculation is carried out according to the bending torsion theory according to the second-order analysis. The warping of the cross-section (7. Degree of freedom) is taken into account here.

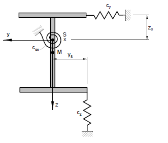
To consider the corresponding roof skin or the stiffening by the secondary support system, a torsion spring is defined about the local x-axis of the member. Within the program, this spring is converted to the shear center M.

Figure 06 - Continuous Springs (from RF-/FE-LTB)

Only a torsion spring is applied to obtain the deformation figure shown in Figure 2. It would be more realistic to apply a translational spring to the top flange of the system. Due to the curvature of the beam, however, the desired imperfection figure cannot be formed. The imperfection figure would then break through in the middle as shown in Figure 7. This would significantly reduce the torsional moments.

Figure 07 - Failure Mode

With a rotational restraint of 500 kNm/m, torsional moments of 9.8 kNm result on the supports.

Figure 08 - Torsional Moments

With this torsional moment, the design from [1] can be performed again in RX-TIMBER BSH. For this, the determined torsional moment is defined in RX-TIMBER BSH.

Figure 09 - Torsional Moments in RX-TIMBER Glued-Laminated Beam

$$\frac{0,085\;\mathrm{kN}/\mathrm{cm}²}{1,3\;\cdot\;0,16\;\mathrm{kN}/\mathrm{cm}²}\;+\;\left(\frac{0,12\;\mathrm{kN}/\mathrm{cm}²}{0,16\;\mathrm{kN}/\mathrm{cm}²}\right)^2\;=\;0,97\;<\;1$$

Summary

By considering the warping stiffness of the cross-section, the structure can be designed much more economically.

The difference from the general approach of Section 9.2.5 in [2] becomes even more serious if, instead of the notional rotational restraint, a realistic displacement spring stiffness of, for example, 915 N/mm would be applied for the longitudinal deformation of a common nail in the coupling members.

Reference

[1]   Eurocode 5: Design of timber structures - Part 1-1: General - General rules and rules for buildings; DIN EN 1995-1-1: 2010-12
[2]  National Annex - Nationally determined parameters - Eurocode 5: Design of timber structures - Part 1-1: General - General rules and rules for buildings; DIN EN 1995-1-1/NA: 2013-08
[3]  Pale, H. J .; Ehlbeck. J .; Kreuzinger, H .; Plug G .: Explanations of DIN 1052: 2004-08, 2nd edition. Cologne: Bruderverlag, 2005
[4] Winter, S .: Bad Reichenhall and the consequences. Munich: TU Munich, 2008

Downloads

Links

Contact us

Contact Dlubal Software

Do you have questions or need advice?
Contact our free e-mail, chat, or forum support or find various suggested solutions and useful tips on our FAQ page.

(267) 702-2815

info-us@dlubal.com

RFEM Main Program
RFEM 5.xx

Main Program

Structural engineering software for finite element analysis (FEA) of planar and spatial structural systems consisting of plates, walls, shells, members (beams), solids and contact elements

Price of First License
3,160.00 EUR
RSTAB Main Program
RSTAB 8.xx

Main Program

The structural engineering software for design of frame, beam and truss structures, performing linear and nonlinear calculations of internal forces, deformations, and support reactions

Price of First License
2,280.00 EUR
RFEM Steel and Aluminum Structures
RF-FE-LTB 5.xx

Add-on Module

Lateral-torsional buckling analysis of members according to the second-order analysis (FEM)

Price of First License
800.00 EUR
RSTAB Steel and Aluminum Structures
FE-LTB 8.xx

Add-on Module

Lateral-torsional buckling analysis of members according to the second-order analysis (FEM)

Price of First License
800.00 EUR
Stand-Alone Timber Structures
RX-TIMBER Glued-Laminated Beam 2.xx

Stand-Alone Program

Timber design of single-span and wide-span glulam beams according to Eurocode 5 or DIN 1052

Price of First License
1,000.00 EUR