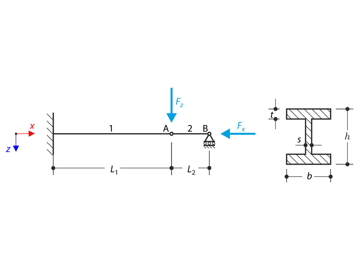
Uniaxial Bending with Pressure
  • 3D Viewer
  • 3D Viewer | Babylon
  • Virtual Reality
Verification Example 000048 | 4
  • 3D Viewer
  • 3D Viewer | Babylon
  • Virtual Reality
Uniaxial Bending with Pressure
Verification Example 000048 | 4
2024-08-13
007430

Uniaxial Bending with Pressure

Used in
  • Uniaxial Bending with Pressure
3D Model
More About 3D Model
  • Verification Example 000048 | 4
Specifications
Number of Nodes 3
Number of Lines 2
Number of Members 2
Number of Surfaces 0
Number of Solids 0
Number of Load Cases 1
Number of Load Combinations 0
Number of Result Combinations 0
Dimensions (Metric) 7.200 x 0.000 x 0.000 m
Dimensions (Imperial) 23.62 x 0 x 0 feet
Share
2024-03-09
010718
  • RFEM 5
  • RSTAB 8
Verification Example 000048 | 4
Used in
  • Verification Example 000048 | 4
3D Model
More About 3D Model
  • Verification Example 000048 | 4
Specifications
Number of Nodes 3
Number of Lines 2
Number of Members 2
Number of Surfaces 0
Number of Solids 0
Number of Load Cases 1
Number of Load Combinations 0
Number of Result Combinations 0
Dimensions (Metric) 7.200 x 0.000 x 0.000 m
Dimensions (Imperial) 23.62 x 0 x 0 feet
Share