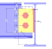
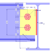
Fin Plate Connection
Fin Plate Connection
2024-05-30
009151
  • RFEM 5
  • RF-JOINTS Steel | Pinned 5
  • RSTAB 8
    • JOINTS Steel | Pinned 8
    • Steel Structures
    • Process Manufacturing Plants
    • Steel Connections
    • Eurocode 3

Fin Plate Connection

Used in
  • Fin Plate Connections: Theory and Application
Share