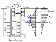
System and Loading According to [1]
Window 1.4 Footing in RF-/JOINTS
Window 1.5 Column in RF-/JOINTS
Window 3.1 Design - Summary Including Details of Required Bucket Depth
Distribution of Forces and Moments in Column Base According to [1]
Window 3.1 Design - Summary Including Details of Column Section Resistance
Window 3.1 Design - Summary Including Details of Design of Column in Bucket
System and Loading According to [1]
Window 1.4 Footing in RF-/JOINTS
Window 1.5 Column in RF-/JOINTS
Window 3.1 Design - Summary Including Details of Required Bucket Depth
Distribution of Forces and Moments in Column Base According to [1]
Window 3.1 Design - Summary Including Details of Column Section Resistance
Window 3.1 Design - Summary Including Details of Design of Column in Bucket
2024-05-30
009634
  • RFEM 5
  • RSTAB 8
  • RF-JOINTS Steel | Column Base 5
    • JOINTS Steel | Column Base 8
    • Steel Structures
    • Eurocode 3

System and Loading According to [1]

Used in
  • Rigid Columns in RF-/JOINTS Steel – Column Base
Share
2024-05-30
009635
  • RFEM 5
  • RSTAB 8
  • RF-JOINTS Steel | Column Base 5
    • JOINTS Steel | Column Base 8
    • Steel Structures
    • Eurocode 3
Window 1.4 Footing in RF-/JOINTS
Used in
  • Rigid Columns in RF-/JOINTS Steel – Column Base
Share
2024-05-30
009636
  • RFEM 5
  • RSTAB 8
  • RF-JOINTS Steel | Column Base 5
    • JOINTS Steel | Column Base 8
    • Steel Structures
    • Eurocode 3
Window 1.5 Column in RF-/JOINTS
Used in
  • Rigid Columns in RF-/JOINTS Steel – Column Base
Share
2024-05-30
009637
  • RFEM 5
  • RSTAB 8
  • RF-JOINTS Steel | Column Base 5
    • JOINTS Steel | Column Base 8
    • Steel Structures
    • Eurocode 3
Window 3.1 Design - Summary Including Details of Required Bucket Depth
Used in
  • Rigid Columns in RF-/JOINTS Steel – Column Base
Share
2024-05-30
009638
  • RFEM 5
  • RSTAB 8
  • RF-JOINTS Steel | Column Base 5
    • JOINTS Steel | Column Base 8
    • Steel Structures
    • Eurocode 3
Distribution of Forces and Moments in Column Base According to [1]
Used in
  • Rigid Columns in RF-/JOINTS Steel – Column Base
Share
2024-05-30
009639
  • RFEM 5
  • RSTAB 8
  • RF-JOINTS Steel | Column Base 5
    • JOINTS Steel | Column Base 8
    • Steel Structures
    • Eurocode 3
Window 3.1 Design - Summary Including Details of Column Section Resistance
Used in
  • Rigid Columns in RF-/JOINTS Steel – Column Base
Share
2024-05-30
009640
  • RFEM 5
  • RSTAB 8
  • RF-JOINTS Steel | Column Base 5
    • JOINTS Steel | Column Base 8
    • Steel Structures
    • Eurocode 3
Window 3.1 Design - Summary Including Details of Design of Column in Bucket
Used in
  • Rigid Columns in RF-/JOINTS Steel – Column Base
Share