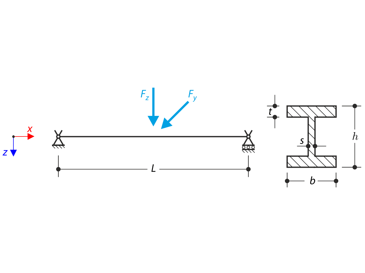
Spatial Bending with Warping
Spatial Bending with Warping
2024-08-13
025376
  • RFEM 5

Spatial Bending with Warping

Used in
  • Spatial Bending with Warping
Share