KB 1900 | Prying Effect in Flange Connections of Circular Hollow Sections
KB 1900 | Prying Effect in Flange Connections of Circular Hollow Sections
2024-09-20
052649
  • RFEM 6
  • Eurocode 3

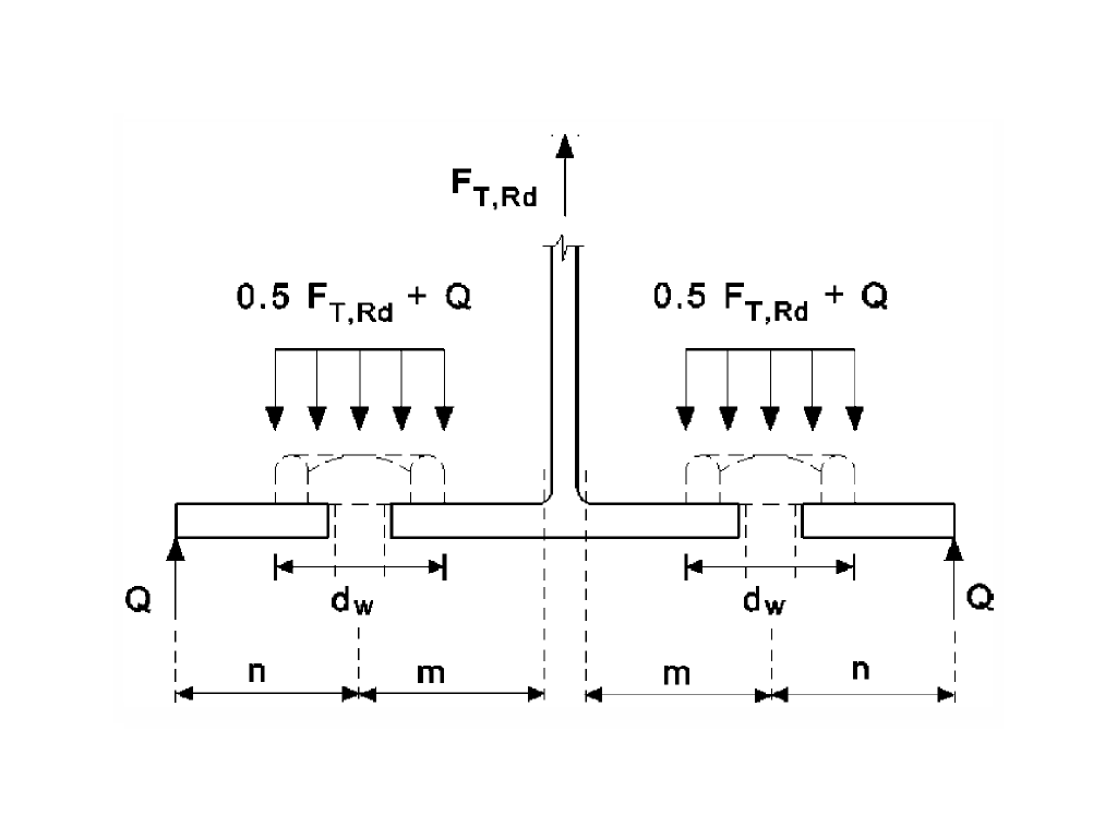
Figure 6.2. in EC 3 [1]

KB 1900 | Prying Effect in Flange Connections of Circular Hollow Sections

Used in
  • Prying Effect in Flange Connections of Circular Hollow Sections
Share