Steel connection detail illustrating a tension zone T-stub component in a precise steel joint
Steel connection detail illustrating a tension zone T-stub component in a precise steel joint
2025-02-13
055415
  • RFEM 6

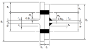
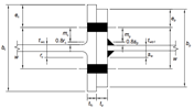
Tension Zone T-stub Joint Detail

Steel connection detail illustrating a tension zone T-stub component in a precise steel joint

The image illustrates the detailing of a T-stub component designed for tension zones in a steel connection. It emphasizes the precise interface between the T-stub and the connected steel elements. Distinct sections indicate where tension forces are redistributed via welds or bolted joints. Geometrical dimensions and connection features are clearly marked, showcasing the method of transferring loads within the framework.
  • Tension
  • Zone
  • T-stub
  • Steel
  • Connection
Share