Precise bolted end plate dimensions outlined in technical drawing | Engineering details
Precise bolted end plate dimensions outlined in technical drawing | Engineering details
2025-02-25
055534
  • RFEM 6

Bolted End Plate Dimensions | Engineering Detail Documentation

Precise bolted end plate dimensions outlined in technical drawing | Engineering details

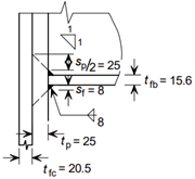
This drawing presents the measured details of a bolted end plate. It delineates key dimensions and bolt arrangements essential for assessing connection stability. The technical illustration is clear and precise, emphasizing structural parameters without superfluous elements.
  • Bolted End Plate
  • Dimension Details
  • Technical Drawing
  • Structural Component
  • Engineering Calculation
Share