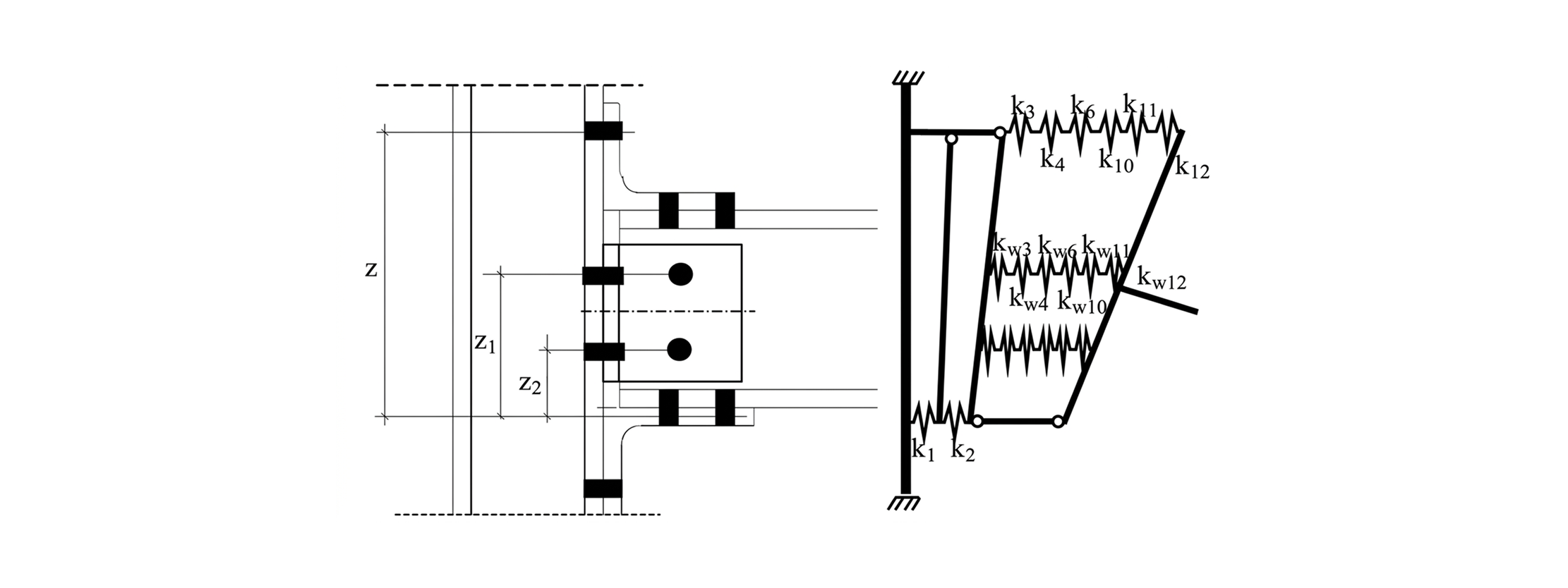
Illustration of EC-3 Annex J showing top-and-seat and web cleat angle connections in a structural model.
Illustration of EC-3 Annex J showing top-and-seat and web cleat angle connections in a structural model.
2026-03-24
061954
  • RFEM 6

EC-3 Annex J Extension for Top-and-Seat and Web Cleat Angle Connections

Illustration of EC-3 Annex J showing top-and-seat and web cleat angle connections in a structural model.

The illustration displays the EC-3 Annex J extension applied to top-and-seat and web cleat angle connections. It highlights structural connections designed for improved detailing in steel constructions, following the Eurocode 3 standards. The focus is on the configuration and function of these specific connections within a structural model.
  • EC-3 Annex J
  • Angle connections
  • Structural model
  • Web cleat
  • Top-and-seat
Share