Flexión uniaxial con presión
  • Visor 3D
  • Visor 3D | Babylon
  • Realidad virtual
Verification Example 000048 | 4
  • Visor 3D
  • Visor 3D | Babylon
  • Realidad virtual
Flexión uniaxial con presión
Verification Example 000048 | 4
13-08-2024
007430

Flexión uniaxial con presión

Usado en
  • Flexión simple con compresión
Modelo en 3D
Más sobre el modelo 3D
  • Ejemplo de verificación 000048 | 4
Especificaciones
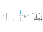
Número de nudos 3
Número de líneas 2
Número de barras 2
Número de superficies 0
Número de sólidos 0
Número de casos de carga 1
Número de combinaciones de carga 0
Número de combinaciones de resultados 0
Dimensiones (métricas) 7,200 x 0,000 x 0,000 m
Dimensiones (imperiales) 23.62 x 0 x 0 feet
Compartir
09-03-2024
010718
  • RFEM 5
  • RSTAB 8
Ejemplo de verificación 000048 | 4
Verification Example 000048 | 4

Usado en
  • Ejemplo de verificación 000048 | 4
Modelo en 3D
Más sobre el modelo 3D
  • Ejemplo de verificación 000048 | 4
Especificaciones
Número de nudos 3
Número de líneas 2
Número de barras 2
Número de superficies 0
Número de sólidos 0
Número de casos de carga 1
Número de combinaciones de carga 0
Número de combinaciones de resultados 0
Dimensiones (métricas) 7,200 x 0,000 x 0,000 m
Dimensiones (imperiales) 23.62 x 0 x 0 feet
Compartir