Sistema, carga y esfuerzos internos
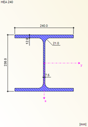
Sección de la viga HEA 240, S355
Sistema, carga y esfuerzos internos
Sección de la viga HEA 240, S355
30-05-2024
009026
  • RFEM 5
  • RSTAB 8
  • RF-STEEL EC3
    • STEEL EC3 8
    • Estructuras de acero
    • Eurocode 3

Sistema, carga y esfuerzos internos

Usado en
  • Cálculo de la sección para dos vigas de vano
Compartir
30-05-2024
009027
  • RFEM 5
  • RSTAB 8
  • RF-STEEL EC3
    • STEEL EC3 8
    • Estructuras de acero
    • Eurocode 3
Sección de la viga HEA 240, S355
Usado en
  • Cálculo de la sección para dos vigas de vano
Compartir