Ejemplo de verificación 000105 | 2
  • Visor 3D
  • Visor 3D | Babylon
  • Realidad virtual
Equivalent Loads
  • Visor 3D
  • Visor 3D | Babylon
  • Realidad virtual
Ejemplo de verificación 000105 | 2
Equivalent Loads
09-03-2024
010641
  • RFEM 5
  • RSTAB 8

Ejemplo de verificación 000105 | 2

Usado en
  • Ejemplo de verificación 000105 | 2
Modelo en 3D
Más sobre el modelo 3D
  • Ejemplo de verificación 000105 | 2
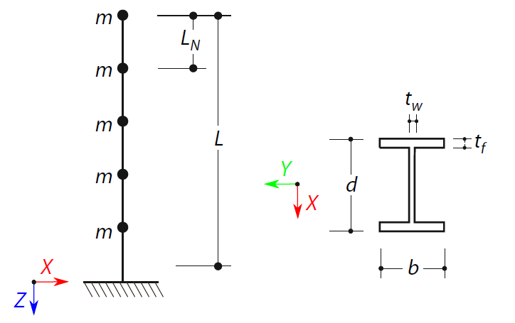
Especificaciones
Número de nudos 6
Número de barras 5
Número de casos de carga 6
Número de combinaciones de resultados 1
Peso completo 0.211 t
Dimensiones (métricas) 0,313 x 0,313 x 5,156 m
Dimensiones (imperiales) 1.03 x 1.03 x 16.92 feet
Versión del programa 8.05.00
Compartir
01-01-0001
007478
Equivalent Loads
Usado en
  • Cargas equivalentes
Modelo en 3D
Más sobre el modelo 3D
  • Ejemplo de verificación 000105 | 2
Especificaciones
Número de nudos 6
Número de barras 5
Número de casos de carga 6
Número de combinaciones de resultados 1
Peso completo 0.211 t
Dimensiones (métricas) 0,313 x 0,313 x 5,156 m
Dimensiones (imperiales) 1.03 x 1.03 x 16.92 feet
Versión del programa 8.05.00
Compartir