Ejemplo de verificación 000047 | 1
  • Visor 3D
  • Visor 3D | Babylon
  • Realidad virtual
Snap Through with Spring Supports
  • Visor 3D
  • Visor 3D | Babylon
  • Realidad virtual
Ejemplo de verificación 000047 | 1
Snap Through with Spring Supports
09-03-2024
010726
  • RFEM 5
  • RSTAB 8

Ejemplo de verificación 000047 | 1

Usado en
  • Ejemplo de verificación 000047 | 1
Modelo en 3D
Más sobre el modelo 3D
  • Ejemplo de verificación 000047 | 1
Especificaciones
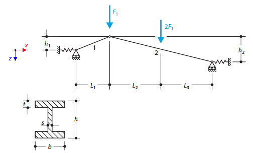
Número de nudos 3
Número de líneas 2
Número de barras 2
Número de superficies 0
Número de sólidos 0
Número de casos de carga 1
Número de combinaciones de carga 0
Número de combinaciones de resultados 0
Peso completo 0.689 t
Dimensiones (métricas) 10,000 x 0,520 x 0,000 m
Dimensiones (imperiales) 32.81 x 1.71 x 0 feet
Compartir
01-01-0001
007429
Snap Through with Spring Supports
Usado en
  • Reforzar con apoyo de muelle
Modelo en 3D
Más sobre el modelo 3D
  • Ejemplo de verificación 000047 | 1
Especificaciones
Número de nudos 3
Número de líneas 2
Número de barras 2
Número de superficies 0
Número de sólidos 0
Número de casos de carga 1
Número de combinaciones de carga 0
Número de combinaciones de resultados 0
Peso completo 0.689 t
Dimensiones (métricas) 10,000 x 0,520 x 0,000 m
Dimensiones (imperiales) 32.81 x 1.71 x 0 feet
Compartir