KB 1900 | Efecto de palanca en conexiones de alas de secciones huecas circulares
KB 1900 | Efecto de palanca en conexiones de alas de secciones huecas circulares
20-09-2024
052649
  • RFEM 6
  • Eurocode 3

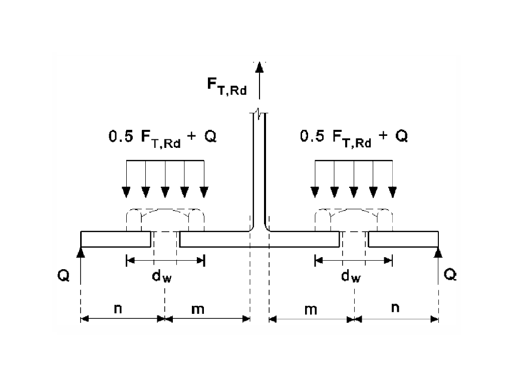
Figura 6.2. in EC 3 [1]

KB 1900 | Efecto de palanca en conexiones de alas de secciones huecas circulares

Usado en
  • Efecto de palanca en conexiones de alas de secciones huecas circulares
Compartir