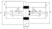
Detalle de conexión de acero que muestra un componente de casquillo en T en zona de tracción en una unión de acero de precisión
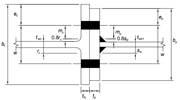
Detalle de conexión de acero que muestra un componente de casquillo en T en zona de tracción en una unión de acero de precisión
13-02-2025
055415
  • RFEM 6

Detalle de unión de casquillo en T en zona de tracción

Detalle de conexión de acero que muestra un componente de casquillo en T en zona de tracción en una unión de acero de precisión

La imagen muestra los detalles de un componente de casquillo en T diseñado para las zonas de tracción en una unión de acero. Destaca la interfaz precisa entre los elementos de casquillo en T y acero conectados. Las secciones diferenciadas indican dónde se redistribuyen las fuerzas de tracción a través de soldaduras o uniones atornilladas. Las dimensiones geométricas y las características de la conexión están claramente marcadas, lo que permite apreciar el método de transferencia de cargas dentro de la estructura.
  • Tracción
  • Zona
  • Casquillo en T
  • Acero
  • Conexión
Compartir