Ilustración del EC-3 anexo J que muestra conexiones de ángulo de asiento y uniones chapas en un modelo estructural
Ilustración del EC-3 anexo J que muestra conexiones de ángulo de asiento y uniones chapas en un modelo estructural
24-03-2026
061954
  • RFEM 6

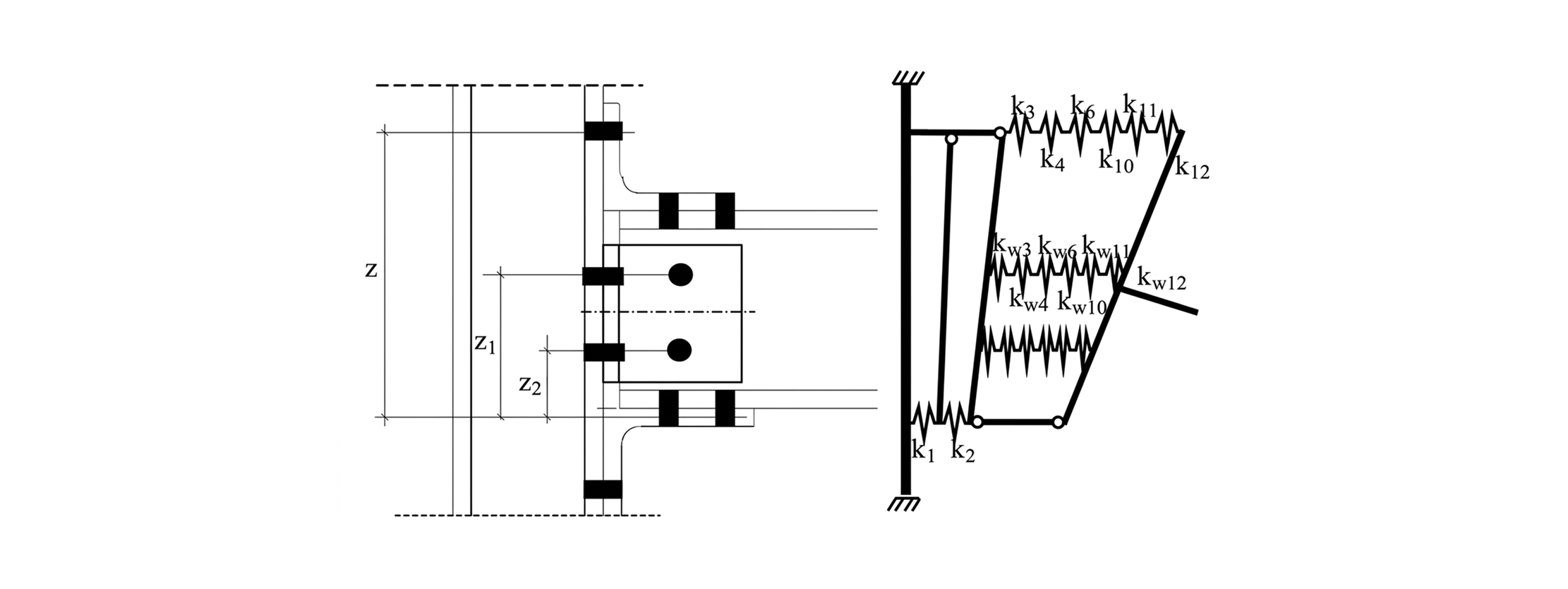
Extensión del Anejo J del EC-3 para conexiones de ángulo de asiento y unión con casquillo en alma

Ilustración del EC-3 anexo J que muestra conexiones de ángulo de asiento y uniones chapas en un modelo estructural

La ilustración muestra la aplicación de la extensión del Anexo J del EC3 en uniones de angulares de asiento y alma y angulares de arriostramiento. Destaca las uniones estructurales diseñadas para un mejor detallado en construcciones de acero, siguiendo las normas Eurocódigo 3. El enfoque está en la configuración y función de estas uniones específicas dentro de un modelo estructural.
  • EC-3 Anejo J
  • Conexiones de ángulo
  • Modelo estructural
  • Casquillo de alma
  • Arriba y asiento
Compartir