Exemple de vérification 000105 | 2
  • Visionneuse 3D
  • Visionneuse 3D | Babylon
  • Réalité virtuelle
Equivalent Loads
  • Visionneuse 3D
  • Visionneuse 3D | Babylon
  • Réalité virtuelle
Exemple de vérification 000105 | 2
Equivalent Loads
09.03.2024
010641
  • RFEM 5
  • RSTAB 8

Exemple de vérification 000105 | 2

Utilisé dans
  • Exemple de vérification 000105 | 2
Modèle 3D
En savoir plus sur le modèle 3D
  • Exemple de vérification 000105 | 2
Spécifications
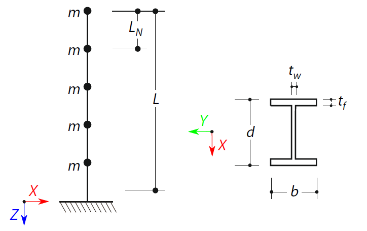
Nombre de nœuds 6
Nombre de barres 5
Nombre de cas de charge 6
Nombre de combinaisons de résultats 1
Poids total 0,211 t
Dimensions (métrique) 0,313 x 0,313 x 5,156 m
Dimensions (impériales) 1.03 x 1.03 x 16.92 feet
Version du logiciel 8.05.00
Partager
01.01.0001
007478
Equivalent Loads
Utilisé dans
  • Charges équivalentes
Modèle 3D
En savoir plus sur le modèle 3D
  • Exemple de vérification 000105 | 2
Spécifications
Nombre de nœuds 6
Nombre de barres 5
Nombre de cas de charge 6
Nombre de combinaisons de résultats 1
Poids total 0,211 t
Dimensions (métrique) 0,313 x 0,313 x 5,156 m
Dimensions (impériales) 1.03 x 1.03 x 16.92 feet
Version du logiciel 8.05.00
Partager