Exemple de vérification 000050 | 3
  • Visionneuse 3D
  • Visionneuse 3D | Babylon
  • Réalité virtuelle
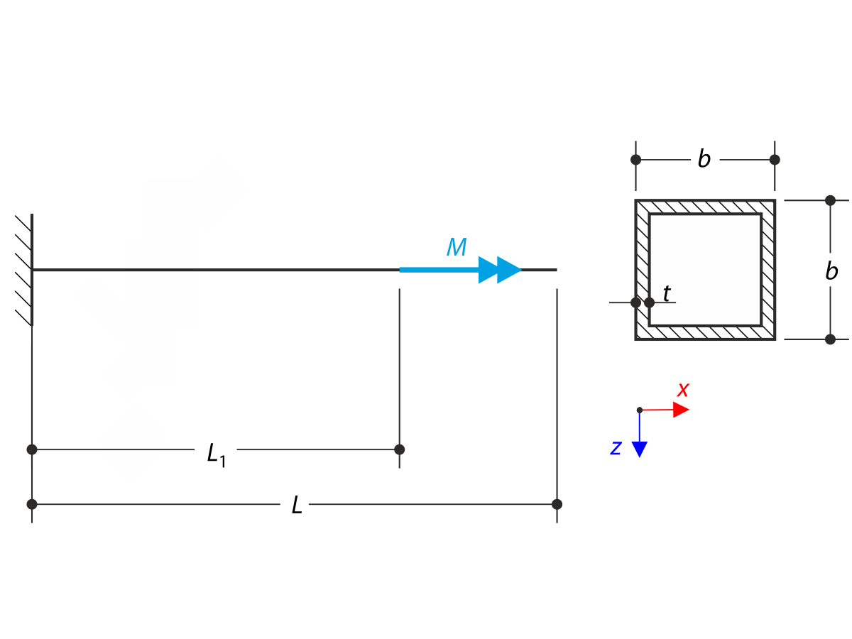
Porte-à-faux soumis à une torsion sans gauchissement
  • Visionneuse 3D
  • Visionneuse 3D | Babylon
  • Réalité virtuelle
Exemple de vérification 000050 | 3
Porte-à-faux soumis à une torsion sans gauchissement
09.03.2024
010714
  • RFEM 5
  • RSTAB 8

Exemple de vérification 000050 | 3

Utilisé dans
  • Exemple de vérification 000050 | 3
Modèle 3D
En savoir plus sur le modèle 3D
  • Exemple de vérification 000050 | 3
Spécifications
Nombre de nœuds 3
Nombre de lignes 2
Nombre de barres 2
Nombre de cas de charge 1
Poids total 0,146 t
Dimensions (métrique) 4,200 x 0,400 x 0,400 m
Dimensions (impériales) 13.78 x 1.31 x 1.31 feet
Version du logiciel 5.03.00
Partager
13.08.2024
007432
Porte-à-faux soumis à une torsion sans gauchissement
Utilisé dans
  • Porte-à-faux sous torsion sans flambement
Modèle 3D
En savoir plus sur le modèle 3D
  • Exemple de vérification 000050 | 3
Spécifications
Nombre de nœuds 3
Nombre de lignes 2
Nombre de barres 2
Nombre de cas de charge 1
Poids total 0,146 t
Dimensions (métrique) 4,200 x 0,400 x 0,400 m
Dimensions (impériales) 13.78 x 1.31 x 1.31 feet
Version du logiciel 5.03.00
Partager