Verification Example 000048 | 4
  • Visionneuse 3D
  • Visionneuse 3D | Babylon
  • Réalité virtuelle
Flexion uniaxiale avec pression
  • Visionneuse 3D
  • Visionneuse 3D | Babylon
  • Réalité virtuelle
Verification Example 000048 | 4
Flexion uniaxiale avec pression
09.03.2024
010718
  • RFEM 5
  • RSTAB 8

Exemple de vérification 000048 | 4

Verification Example 000048 | 4

Utilisé dans
  • Exemple de vérification 000048 | 4
Modèle 3D
En savoir plus sur le modèle 3D
  • Exemple de vérification 000048 | 4
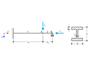
Spécifications
Nombre de nœuds 3
Nombre de lignes 2
Nombre de barres 2
Nombre de surfaces 0
Nombre de solides 0
Nombre de cas de charge 1
Nombre de combinaisons de charges 0
Nombre de combinaisons de résultats 0
Dimensions (métrique) 7,200 x 0,000 x 0,000 m
Dimensions (impériales) 23.62 x 0 x 0 feet
Partager
13.08.2024
007430
Flexion uniaxiale avec pression
Utilisé dans
  • Flexion simple avec compression
Modèle 3D
En savoir plus sur le modèle 3D
  • Exemple de vérification 000048 | 4
Spécifications
Nombre de nœuds 3
Nombre de lignes 2
Nombre de barres 2
Nombre de surfaces 0
Nombre de solides 0
Nombre de cas de charge 1
Nombre de combinaisons de charges 0
Nombre de combinaisons de résultats 0
Dimensions (métrique) 7,200 x 0,000 x 0,000 m
Dimensions (impériales) 23.62 x 0 x 0 feet
Partager