Exemple de vérification 000047 | 1
  • Visionneuse 3D
  • Visionneuse 3D | Babylon
  • Réalité virtuelle
Snap Through with Spring Supports
  • Visionneuse 3D
  • Visionneuse 3D | Babylon
  • Réalité virtuelle
Exemple de vérification 000047 | 1
Snap Through with Spring Supports
09.03.2024
010726
  • RFEM 5
  • RSTAB 8

Exemple de vérification 000047 | 1

Utilisé dans
  • Exemple de vérification 000047 | 1
Modèle 3D
En savoir plus sur le modèle 3D
  • Exemple de vérification 000047 | 1
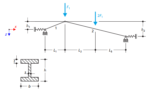
Spécifications
Nombre de nœuds 3
Nombre de lignes 2
Nombre de barres 2
Nombre de surfaces 0
Nombre de solides 0
Nombre de cas de charge 1
Nombre de combinaisons de charges 0
Nombre de combinaisons de résultats 0
Poids total 0,689 t
Dimensions (métrique) 10,000 x 0,520 x 0,000 m
Dimensions (impériales) 32.81 x 1.71 x 0 feet
Partager
01.01.0001
007429
Snap Through with Spring Supports
Utilisé dans
  • Saisie avec appui de ressort
Modèle 3D
En savoir plus sur le modèle 3D
  • Exemple de vérification 000047 | 1
Spécifications
Nombre de nœuds 3
Nombre de lignes 2
Nombre de barres 2
Nombre de surfaces 0
Nombre de solides 0
Nombre de cas de charge 1
Nombre de combinaisons de charges 0
Nombre de combinaisons de résultats 0
Poids total 0,689 t
Dimensions (métrique) 10,000 x 0,520 x 0,000 m
Dimensions (impériales) 32.81 x 1.71 x 0 feet
Partager