Flexion 3D avec effort normal et gauchissement
Flexion 3D avec effort normal et gauchissement
09.07.2024
048076
  • RFEM 6

Flexion 3D avec effort normal et gauchissement

Utilisé dans
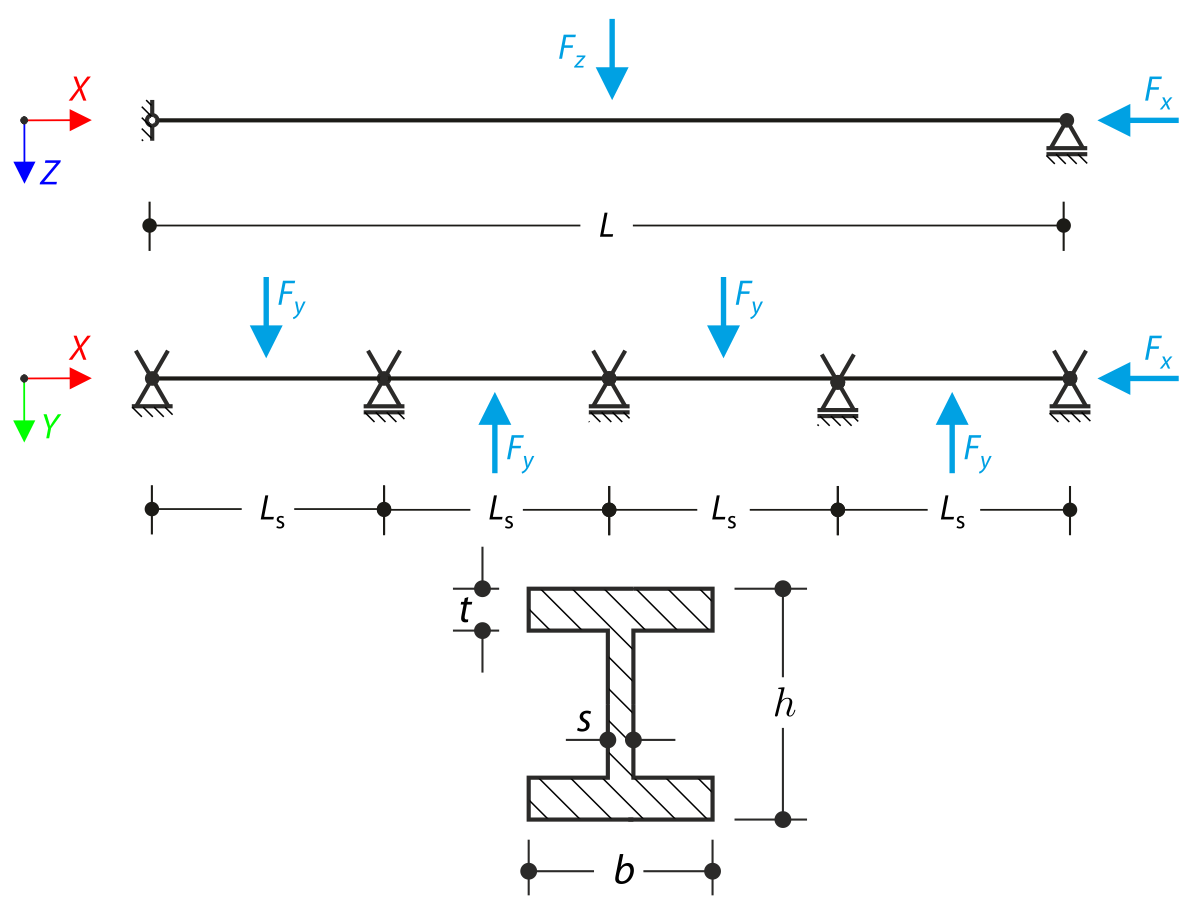
  • VE0213 | Flexion 3D avec effort normal et gauchissement
Partager