Détail d’assemblage en acier illustrant un composant tronçon en T en zone de traction
Détail d’assemblage en acier illustrant un composant tronçon en T en zone de traction
13.02.2025
055415
  • RFEM 6

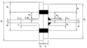
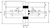
Détail du tronçon en T de zone en traction

Détail d’assemblage en acier illustrant un composant tronçon en T en zone de traction

L’image illustre le détail d'un composant en T conçu pour les zones de traction dans une connexion en acier. Elle met en évidence l’interface précise entre le composant en T et les éléments en acier connectés. Des sections distinctes indiquent où les forces de traction sont redistribuées via des soudures ou des assemblages boulonnés. Les dimensions géométriques et les caractéristiques de connexion sont clairement marquées, illustrant la méthode de transfert des charges dans la structure.
  • Traction
  • Zone
  • Tronçon en T
  • Acier
  • Assemblage
Partager