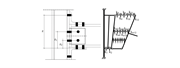
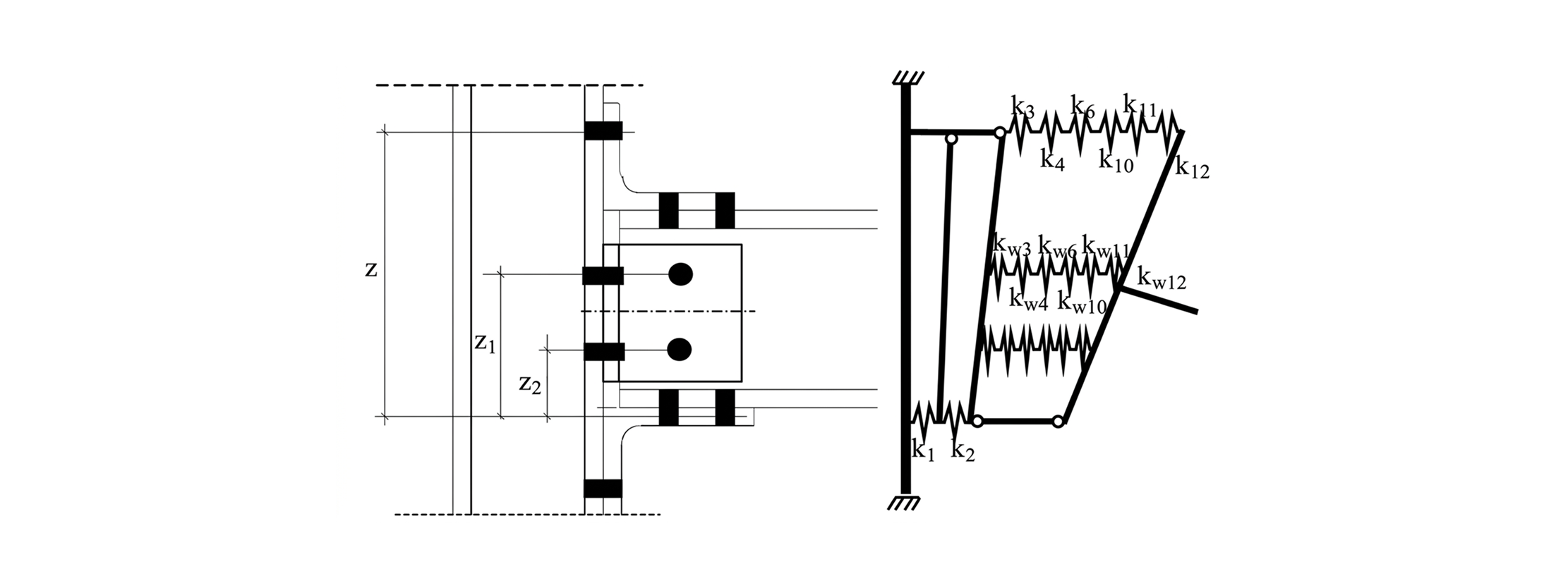
Illustration de l'annexe J de l'EC3 montrant des assemblages avec équerres d’âme et équerres intérieure et extérieure en haut et en bas dans un modèle de structure.
Illustration de l'annexe J de l'EC3 montrant des assemblages avec équerres d’âme et équerres intérieure et extérieure en haut et en bas dans un modèle de structure.
24.03.2026
061954
  • RFEM 6

Extension de l’annexe J de l’EC3 pour l’assemblage avec ferrure d’âme et d’assise et d’âme

Illustration de l'annexe J de l'EC3 montrant des assemblages avec équerres d’âme et équerres intérieure et extérieure en haut et en bas dans un modèle de structure.

L’illustration présente l’extension Annexe J de l’EC 3 appliquée aux assemblages avec cornières d’assise et de raidisseurs d’âme. Elle met en avant des connexions structurels conçus pour améliorer le détail dans les constructions métalliques, en suivant les normes de l’Eurocode 3. L’accent est mis sur la configuration et la fonction de ces assemblages spécifiques au sein d’un modèle structurel.
  • Annexe J EC3
  • Assemblage par cornières
  • Modèle de structure
  • Gousset
  • Angle supérieur et inférieur
Partager