Fondation à gradins | Sections de dimensionnement
Fondation à gradins | Sections de dimensionnement
09.04.2026
062177
  • RFEM 6

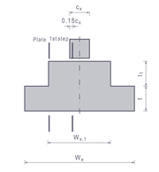
Semelle étagée | Coupes de dimensionnement

Fondation à gradins | Sections de dimensionnement

Partager