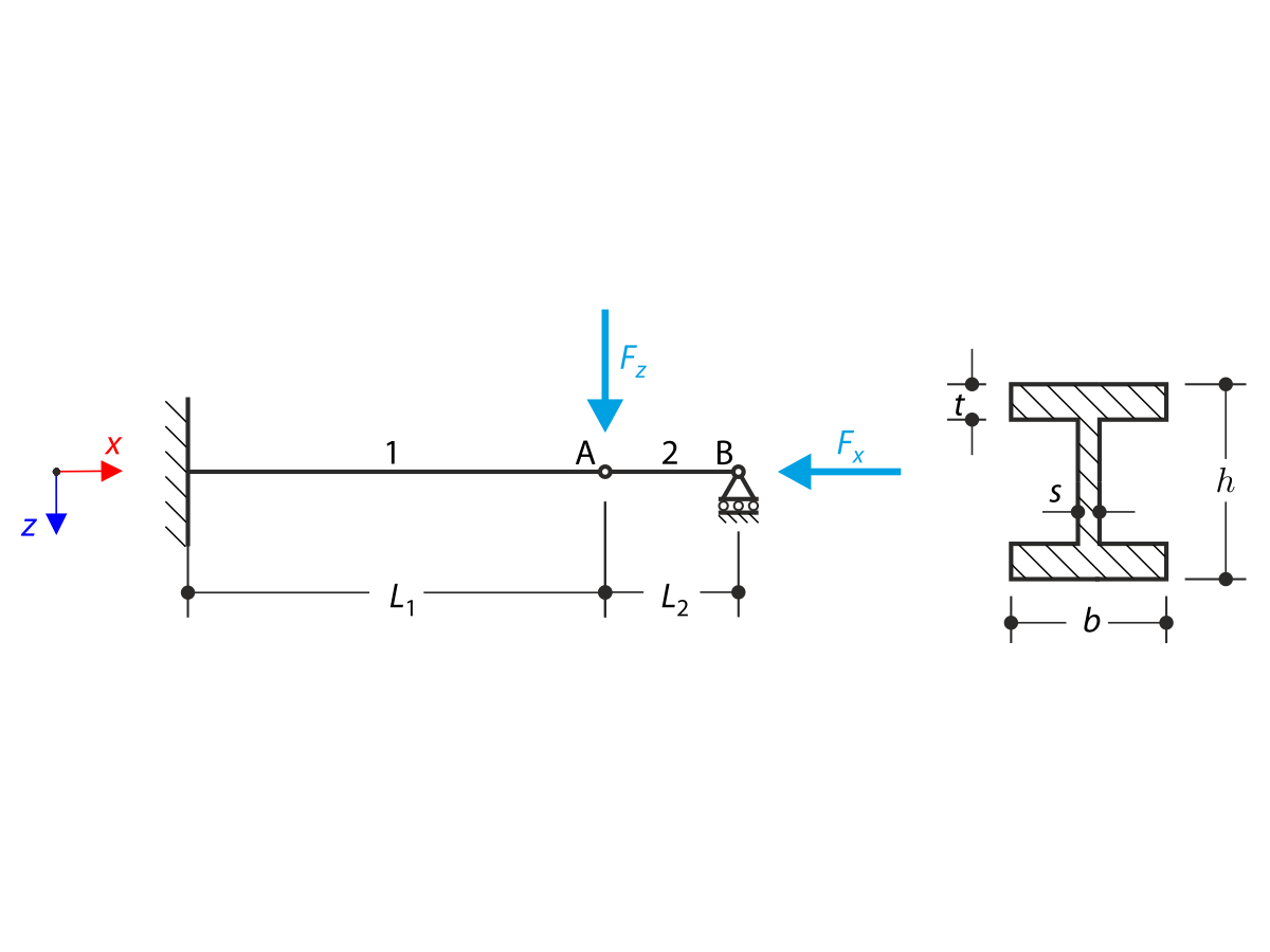
Flessione uniassiale con pressione
  • Visualizzatore 3D
  • 3D Viewer | Babylon
  • Realtà virtuale
Verification Example 000048 | 4
  • Visualizzatore 3D
  • 3D Viewer | Babylon
  • Realtà virtuale
Flessione uniassiale con pressione
Verification Example 000048 | 4
2024-08-13
007430

Flessione uniassiale con pressione

Usato in
  • Semplice flessione con compressione
Modello 3D
Ulteriori informazioni sul modello 3D
  • Esempio di verifica 000048 | 4
Specifiche
Numero di nodi 3
Numero di linee 2
Numero di aste 2
Numero di superfici 0
Numero di solidi 0
Numero di casi di carico 1
Nr. di combinazioni di carico 0
Nr. di combinazioni di risultati 0
Dimensioni (metriche) 7.200 x 0.000 x 0.000 m
Dimensioni (imperiali) 23.62 x 0 x 0 feet
Condividi
2024-03-09
010718
  • RFEM 5
  • RSTAB 8
Esempio di verifica 000048 | 4 °
Verification Example 000048 | 4

Usato in
  • Esempio di verifica 000048 | 4
Modello 3D
Ulteriori informazioni sul modello 3D
  • Esempio di verifica 000048 | 4
Specifiche
Numero di nodi 3
Numero di linee 2
Numero di aste 2
Numero di superfici 0
Numero di solidi 0
Numero di casi di carico 1
Nr. di combinazioni di carico 0
Nr. di combinazioni di risultati 0
Dimensioni (metriche) 7.200 x 0.000 x 0.000 m
Dimensioni (imperiali) 23.62 x 0 x 0 feet
Condividi