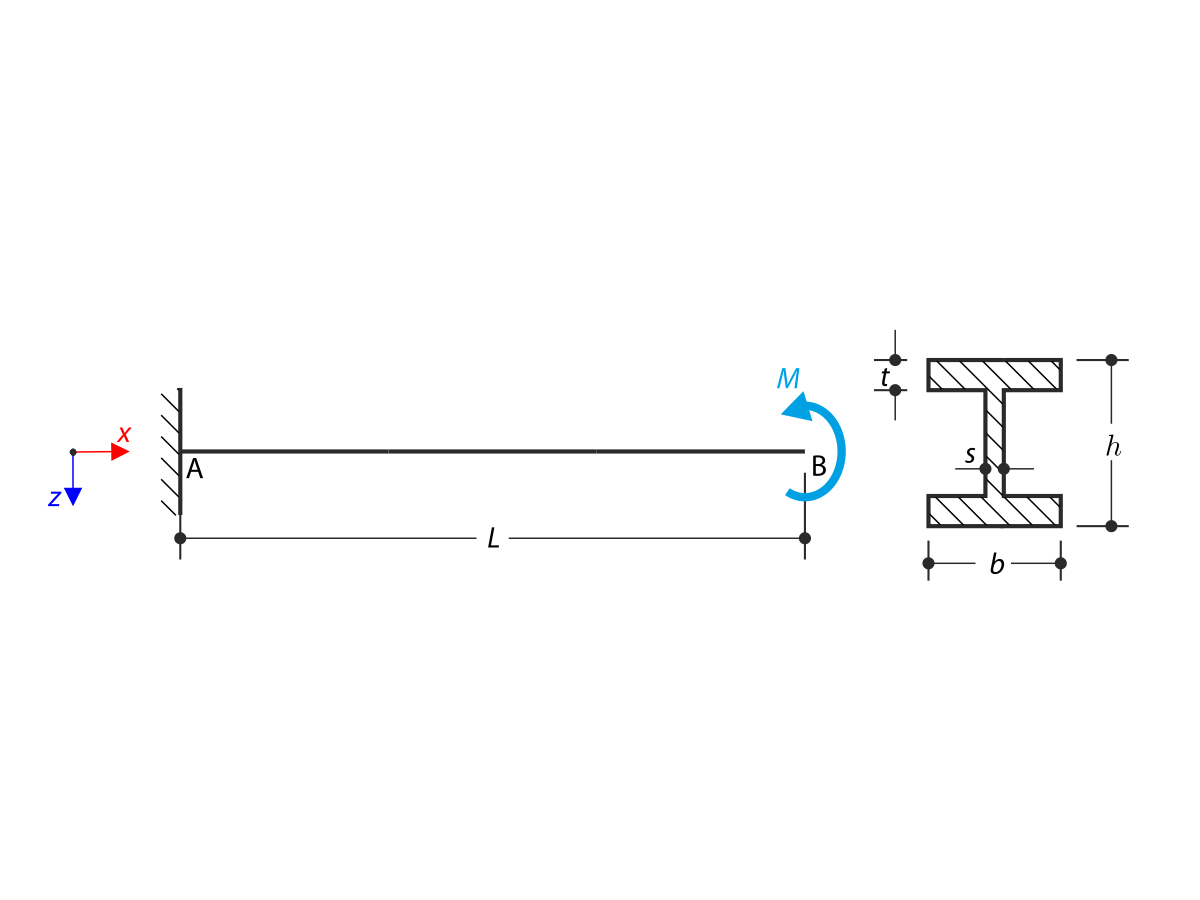
Sbalzo sotto torsione con ingobbamento
Sbalzo sotto torsione con ingobbamento
2024-08-13
007435

Sbalzo sotto torsione con ingobbamento

Usato in
  • Sbalzo sotto torsione con ingobbamento
Condividi