Collegamento trave-trave con piastra ad aletta "lunga"
Collegamento trave-trave con piastra ad aletta "corta"
Considerata piattaforma di lavoro
Collegamento con piastra ad aletta
Progettazione con RF -JOINTS Steel - Pinned
Collegamento trave-trave con piastra ad aletta "lunga"
Collegamento trave-trave con piastra ad aletta "corta"
Considerata piattaforma di lavoro
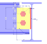
Collegamento con piastra ad aletta
Progettazione con RF -JOINTS Steel - Pinned
2024-05-30
009148
  • RFEM 5
  • RF-JOINTS Steel | Pinned 5
  • RSTAB 8
    • Bloccato 8
    • Strutture in acciaio
    • Impianti e strutture industriali
    • Collegamenti in acciaio
    • Eurocode 3

Collegamento trave-trave con piastra ad aletta "lunga"

Usato in
  • Collegamenti con piastra d'anima: teoria e applicazione
Condividi
2024-05-30
009149
  • RFEM 5
  • RF-JOINTS Steel | Pinned 5
  • RSTAB 8
    • Bloccato 8
    • Strutture in acciaio
    • Impianti e strutture industriali
    • Collegamenti in acciaio
    • Eurocode 3
Collegamento trave-trave con piastra ad aletta "corta"
Usato in
  • Collegamenti con piastra d'anima: teoria e applicazione
Condividi
2024-05-30
009150
  • RFEM 5
  • RF-JOINTS Steel | Pinned 5
  • RSTAB 8
    • Bloccato 8
    • Strutture in acciaio
    • Impianti e strutture industriali
    • Collegamenti in acciaio
    • Eurocode 3
Considerata piattaforma di lavoro
Usato in
  • Collegamenti con piastra d'anima: teoria e applicazione
Condividi
2024-05-30
009151
  • RFEM 5
  • RF-JOINTS Steel | Pinned 5
  • RSTAB 8
    • Bloccato 8
    • Strutture in acciaio
    • Impianti e strutture industriali
    • Collegamenti in acciaio
    • Eurocode 3
Collegamento con piastra ad aletta
Usato in
  • Collegamenti con piastra d'anima: teoria e applicazione
Condividi
2024-05-30
009152
  • RFEM 5
  • RF-JOINTS Steel | Pinned 5
  • RSTAB 8
    • Bloccato 8
    • Strutture in acciaio
    • Impianti e strutture industriali
    • Collegamenti in acciaio
    • Eurocode 3
Progettazione con RF -JOINTS Steel - Pinned
Usato in
  • Collegamenti con piastra d'anima: teoria e applicazione
Condividi