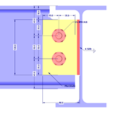
Collegamento con piastra ad aletta
Collegamento con piastra ad aletta
2024-05-30
009151
  • RFEM 5
  • RF-JOINTS Steel | Pinned 5
  • RSTAB 8
    • Bloccato 8
    • Strutture in acciaio
    • Impianti e strutture industriali
    • Collegamenti in acciaio
    • Eurocode 3

Collegamento con piastra ad aletta

Usato in
  • Collegamenti con piastra d'anima: teoria e applicazione
Condividi