Esempio di verifica 000105 | 2 °
  • Visualizzatore 3D
  • 3D Viewer | Babylon
  • Realtà virtuale
Equivalent Loads
  • Visualizzatore 3D
  • 3D Viewer | Babylon
  • Realtà virtuale
Esempio di verifica 000105 | 2 °
Equivalent Loads
2024-03-09
010641
  • RFEM 5
  • RSTAB 8

Esempio di verifica 000105 | 2 °

Usato in
  • Esempio di verifica 000105 | 2
Modello 3D
Ulteriori informazioni sul modello 3D
  • Esempio di verifica 000105 | 2
Specifiche
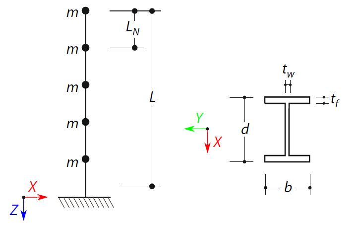
Numero di nodi 6
Numero di aste 5
Numero di casi di carico 6
Nr. di combinazioni di risultati 1
Peso totale 0,211 t
Dimensioni (metriche) 0.313 x 0.313 x 5.156 m
Dimensioni (imperiali) 1.03 x 1.03 x 16.92 feet
Versione del programma 8.05.00
Condividi
0001-01-01
007478
Equivalent Loads
Usato in
  • Carichi equivalenti
Modello 3D
Ulteriori informazioni sul modello 3D
  • Esempio di verifica 000105 | 2
Specifiche
Numero di nodi 6
Numero di aste 5
Numero di casi di carico 6
Nr. di combinazioni di risultati 1
Peso totale 0,211 t
Dimensioni (metriche) 0.313 x 0.313 x 5.156 m
Dimensioni (imperiali) 1.03 x 1.03 x 16.92 feet
Versione del programma 8.05.00
Condividi