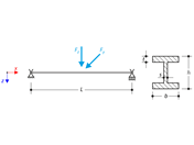
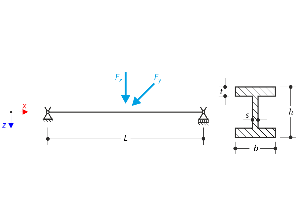
Flessione spaziale con orditura
Flessione spaziale con orditura
2024-08-13
025376
  • RFEM 5

Flessione spaziale con orditura

Usato in
  • Flessione spaziale con orditura
Condividi