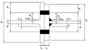
Dettaglio di connessione in acciaio di un T-stub in zona di trazione
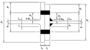
Dettaglio di connessione in acciaio di un T-stub in zona di trazione
2025-02-13
055415
  • RFEM 6

Dettaglio giunto T-stub zona di trazione

Dettaglio di connessione in acciaio di un T-stub in zona di trazione

L'immagine illustra la dettagliazione di un componente a T per zone di trazione in un collegamento in acciaio. Sottolinea l’interfaccia precisa tra il componente a T e gli elementi in acciaio collegati. Sezioni distinte indicano dove le forze di trazione vengono ridistribuite tramite saldature o giunti bullonati. Le dimensioni geometriche e le caratteristiche del collegamento sono chiaramente segnate, mostrando il metodo di trasferimento dei carichi all'interno della struttura.
  • Trazione
  • Zona
  • T-stub
  • Acciaio
  • Collegamento
Condividi