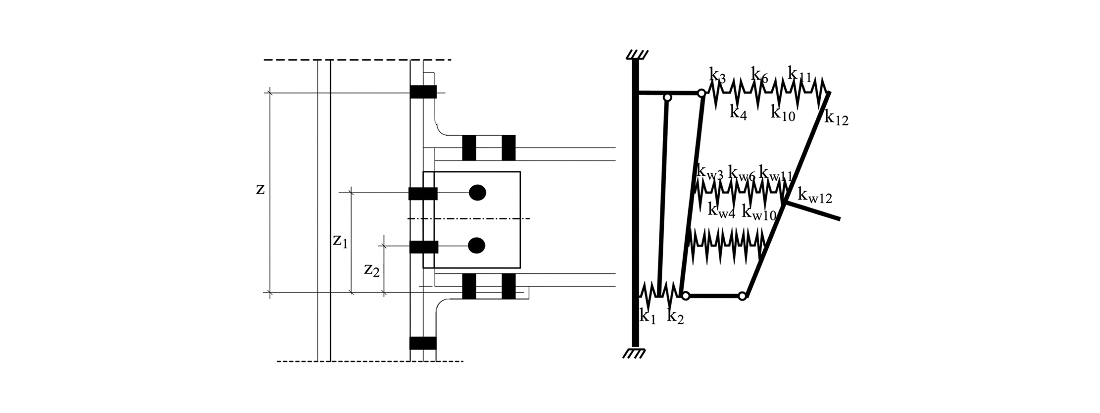
Illustrazione dell'Eurocodice 3, Appendice J, che mostra nel modello strutturale collegamenti di angolari di collegamento al corrente e alla flangia superiore.
Illustrazione dell'Eurocodice 3, Appendice J, che mostra nel modello strutturale collegamenti di angolari di collegamento al corrente e alla flangia superiore.
2026-03-24
061954
  • RFEM 6

Estensione EC-3 Allegato J per giunti di angoli di battuta e tiranti e angoli di collegamento

Illustrazione dell'Eurocodice 3, Appendice J, che mostra nel modello strutturale collegamenti di angolari di collegamento al corrente e alla flangia superiore.

L'illustrazione mostra l'estensione EC-3 Allegato J applicata a collegamenti con angolari interni ed esterni e angolari d’anima. Mette in evidenza i collegamenti strutturali progettati per un miglior dettaglio nelle strutture in acciaio, seguendo le norme Eurocodice 3. L'attenzione è rivolta alla configurazione e alla funzione di questi collegamenti specifici all'interno di un modello strutturale.
  • EC-3 Allegato J
  • Collegamenti angolari
  • Modello strutturale
  • Squadretta
  • Superiore e inferiore
Condividi