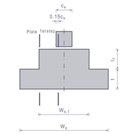
Fondazione a gradoni | Sezioni di progetto
Fondazione a gradoni | Sezioni di progetto
2026-04-09
062177
  • RFEM 6

Fondazione a gradoni | Sezioni di progetto

Condividi